No Fake Data ❌

No Internet Data ❌

Only Real Work ✅

hero left 1

Only Real Work ✅

hero right 1

What We Are ?

What We Are ?

Mechanical CAD Design Services-

Welcome to MYCADENGINEER.com, your trusted partner for Mechanical CAD Design Services with over 10 years of professional experience in delivering high-quality and precise engineering solutions. We specialize in providing end-to-end CAD design support to clients across different industries, ensuring accuracy, innovation, and cost-effective solutions.

With our strong expertise in CATIA V5 software, we deliver world-class 3D CAD Modeling, Product Design, and Engineering Solutions tailored to meet client requirements. Our team focuses on creating efficient, manufacturable, and optimized designs that reduce development costs and accelerate product launch timelines.

Why Choose Us?

Why Choose Us?

Our Expertise

Our Expertise

We are specialized in:-

  • Plastic Part Design (Class A, B & C Surface Modeling)
  • Casting Part Design
  • Forging Part Design
  • Sheet Metal Part Design
  • Extrusion Part Design
  • BOM Generation (Bill of Materials)
  • Draft Analysis for Manufacturing Feasibility

Our Core CAD Services:-

Our Core CAD Services:-

🔹 3D CAD Modeling from Hand Sketches or Basic Concepts
🔹 Detailed 2D Drawings from 3D CAD Models
🔹 Complete 3D Product Assembly Design
🔹 Plastic Part Design with Advanced Surface Modeling
🔹 Reverse Engineering from Scan/Mesh Data

images removebg preview

3D CAD Modeling from Hand Sketches or Basic Concepts

black white illustrative modern automotive mechanical engineering presentation (1)

We specialize in converting simple hand sketches or basic design concepts into accurate 3D CAD models using CATIA V5. Our models are fully detailed, manufacturable, and ready for product development. This service helps clients visualize their ideas in 3D, improve design accuracy, and reduce errors before production. We ensure precision, scalability, and optimized design that aligns with industry standards.

With our strong expertise in CATIA V5 software, we deliver world-class 3D CAD Modeling, Product Design, and Engineering Solutions tailored to meet client requirements. Our team focuses on creating efficient, manufacturable, and optimized designs that reduce development costs and accelerate product launch timelines.

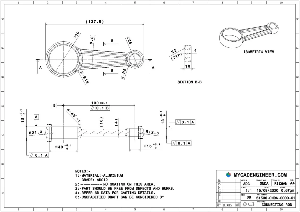
Detailed 2D Drawings from 3D CAD Models

connecting rod

We provide high-quality 2D engineering drawings generated from 3D CAD models. These drawings include all critical dimensions, tolerances, GD&T, and manufacturing details. Accurate 2D drawings ensure smooth communication between design and production teams, eliminating confusion and reducing rework. Our deliverables follow international drawing standards to support manufacturing and quality checks.

Complete 3D Product Assembly Design

screenshot 2025 08 25 224213 (1)

Our team designs complex 3D product assemblies with precise fitment of individual components. We focus on assembly feasibility, clash detection, and ease of manufacturing. With CATIA V5, we create fully functional digital prototypes, helping clients validate product performance before actual production. This saves time, cost, and ensures flawless product integration.

Plastic Part Design with Advanced Surface Modeling

picsart 25 08 24 18 29 31 017
picsart 25 08 24 18 30 22 502
picsart 25 08 24 18 30 33 709
picsart 25 08 24 18 28 15 527
picsart 25 08 24 18 28 38 642

We are experts in Plastic Part Design, including Class A, B & C surface modeling. Our designs are optimized for injection molding, manufacturability, and cost-effectiveness. We ensure proper draft analysis, wall thickness, ribs, and fillets for high-quality plastic components. This service is ideal for automotive, consumer goods, and electronics industries where surface quality and precision are critical.

Reverse Engineering from Scan/Mesh Data/Rear Data

video 16 (1)

Our Reverse Engineering service helps recreate CAD models from 3D scan data or mesh files. Using CATIA V5, we convert raw scanned data into accurate 3D models, ready for modifications or manufacturing. This service is useful when original CAD data is missing, or a part needs redesign for improvements. It ensures fast product development, legacy part reproduction, and design optimization.

Our Mission

Our Mission

At MyCadEngineer , our mission is not only to deliver high-quality Mechanical CAD Design Services but also to make CAD learning accessible for everyone. Along with offering 3D CAD Modeling, Plastic Part Design, Sheet Metal, Casting, Forging, and Reverse Engineering solutions, we also aim to teach Mechanical CAD Design free of cost.

Through our YouTube channel Catia Seekho, learners can access free tutorials, practical examples, and CATIA V5 training, helping students, engineers, and professionals enhance their skills and grow in the mechanical design field.

.